從顯微鏡底下看見台灣偏鄉的現實:那顆來自台東的紅血球

全球約1/4(25%)的人口罹患貧血,但在台灣,台東偏鄉居民的貧血比例居然將近四成。[1, 2]

缺鐵還是缺葉酸?紅血球的長相告訴你!

我們對貧血多半一知半解,但它的症狀你肯定有聽過:疲倦、虛弱、暈眩(這不是每天下班前的症狀嗎!? O_O)、臉色蒼白等,並且體力、耐力及免疫力均會下降 [3]。據世界衛生組織估計,全世界約有20億人口苦於貧血 [1],而貧血造成的疲勞感更影響了國家的生產力 [4]。

Pietro Longhi, The Faint, Italian, 1702 – 1785, c. 1744, oil on canvas, Samuel H. Kress Collection

血紅素就是紅血球體內負責運輸氧氣的成分,一但血紅素不足就會造成貧血!但貧血的病因百百款,凡舉缺鐵、缺葉酸、缺維他命B12或特定慢性病都有可能造成血紅素異常或不足!有趣的是,從臨床實驗室檢查中,只要單憑紅血球的「長相」或「胖瘦」 [註1],就能預測病人到底是缺了什麼?應該選擇多吃肝臟、蔬菜還是雞蛋 [註2]!更詳細的檢查,更可以鑑別診斷貧血是不是因為遺傳、腸胃道出血、慢性病或是癌症等原因所造成的。

疾病 血液抹片 可能病因
正血性貧血(Normocytic anemia) 紅血球體型正常 外傷出血(網狀紅血球大量增加)、造血功能缺陷(網狀紅血球減少)
大球性貧血(Macrocytic anemia) 紅血球體型較大 缺乏葉酸、維他命B12等
小球性貧血(Microcytic anemia) 紅血球體型較小 缺乏鐵質、地中海型貧血、鉛中毒等
血紅素病變(Hemoglobinopathy) 可能有畸形的紅血球 通常為遺傳性缺陷
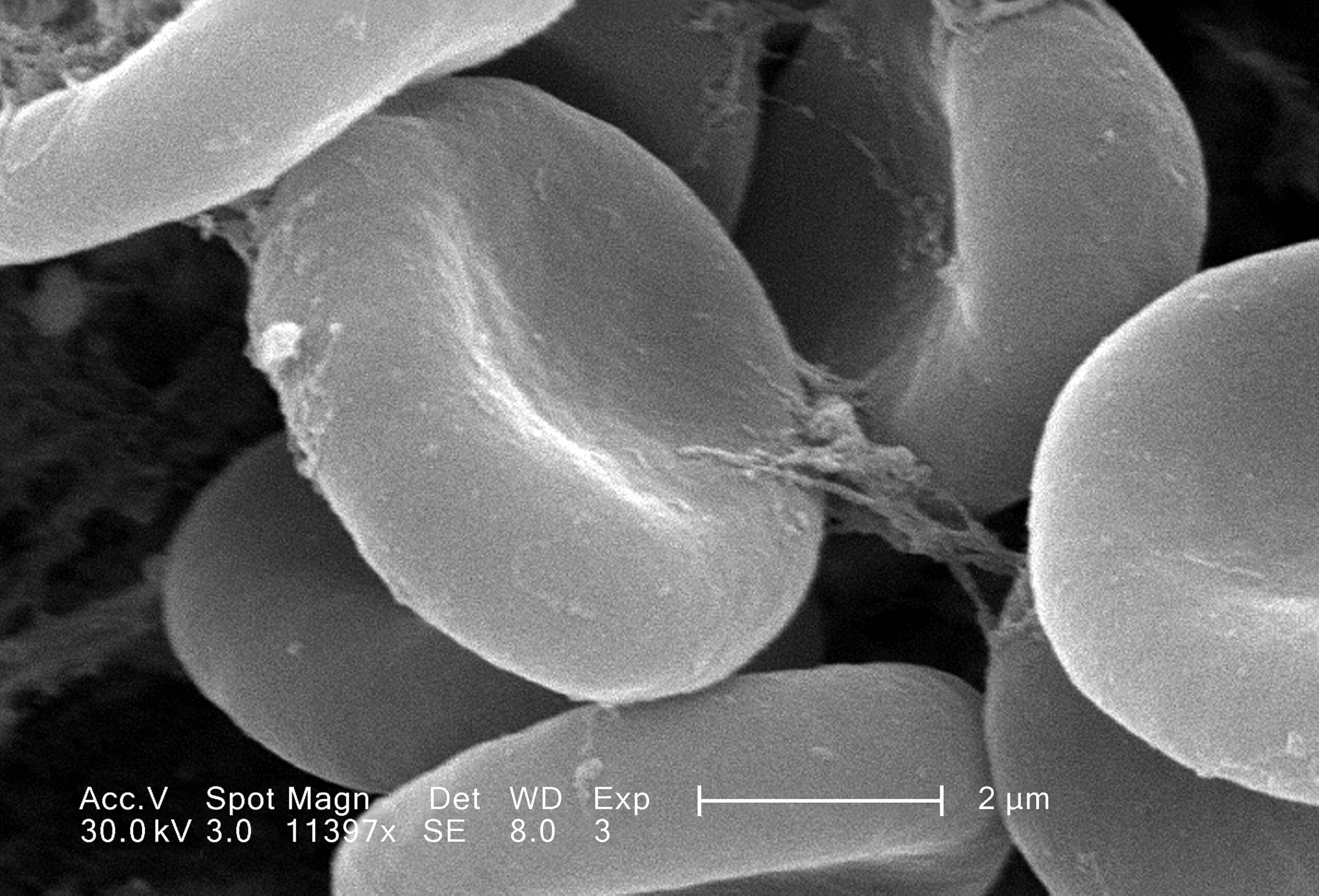
血液抹片下的景象。A:淋巴球;B:嗜中性白血球;C:紅血球;D:血小板。From: 張昱維
異常型態紅血球。A:鐮刀型細胞(Sickle cell);B:畸形細胞(Poikilocytosis);C:靶狀細胞(Target cell)。From: 張昱維
網狀紅血球細胞。深藍色為殘存的RNA或粒線體等顆粒,存在於不成熟的紅血球中,成熟的紅血球內部並沒有上述顆粒。網狀細胞大量出現可能是外傷出血,骨髓在短時間內製造紅血球所致。From: wikimedia

富足的台灣、貧血的台東偏鄉

很難想像富足的台灣社會裡,貧血會是一個擾人的問題,但在偏遠的台東沿海地區,貧血卻是個鮮明的疾病。生物醫學暨檢驗科學雜誌(J Biomed Lab Sci)於2016年刊載了一份台灣本土的統計報告 [1] [註3],該研究分析了台東海線偏鄉(如:長濱鄉、成功鎮、東河鄉)一帶的居民就診情況。統計結果從下表可知台東偏鄉的貧血人口高於全球平均,而且男性貧血的情況略高於女性,這與一般社會認知不同。

年齡 樣本數 貧血數 比例 年齡 樣本數 貧血數 比例
0-14 14 2 14% 0-14 15 4 27%
15-24 28 2 7% 15-24 27 15 56%
25-44 99 22 22% 25-44 78 22 28%
45-64 274 82 30% 45-64 219 57 26%
65-74 145 62 43% 65-74 154 53 34%
75+ 193 120 62% 75+ 188 84 45%
total 753 290 39% total 681 235 35%
  • 全球與台東海線偏鄉男、女性貧血人口比例。From: 本文作者群

而從年齡層觀察,男性貧血最嚴重的年齡層是75歲以上的年長者,超過六成的比例有貧血症狀;而女性卻是少女族群最易貧血,超過一半的少女都有貧血的症狀。因此男性的讀者們,越年長越要注意自己是否容易疲倦、體力、耐力不如已往(作者群變大叔以後這症狀越發明顯啊!!),而少女的讀者們,若覺得容易頭暈目眩、臉色發白或疲倦等,要記得適時的補充一些營養的食物或就醫諮詢醫師喔!千萬別學「西施姐姐」以為可以一白遮三醜,而忽略了自己貧血的問題啦!

-----廣告,請繼續往下閱讀-----
台東沿海偏鄉男、女性貧血年齡層分析。From: 本文作者群、wikimediafree stock photos.biz
  • 註1:紅血球的容積在顯微鏡觀察下,雖然可以用白血球作為對比進行初步判斷,但在實際操作中,已有全血球分析儀可作量化的分析。
  • 註2:動物肝臟富含鐵質,綠色蔬菜含有葉酸,而雞蛋帶有維他命B12。
  • 註3:由於該研究是基於來院就診之患者,所以收集範圍受限於求醫的族群,因此可以發現年齡層較高,但從另一角度進行思考,此族群也是較需要給予醫療照護的國人。此外,本文的論點並非刻意突顯政府的醫療資源不均,而是單純就東部偏鄉醫院第一線的觀點來進行討論。

本文感謝衛生福利部台東醫院檢驗科張昱維(Yu-Wei Chang)協助。

參考文獻

  1. 張昱維;譚晣鴻;彭鈺凌;陳敏華;楊惠春, 臺灣東部海線地區貧血盛行率調查, J Biomed Lab Sci 2016 Vol 28 No 2
  2. World Health Organization, Worldwide prevalence of anemia 1993–2005. WHO Global Database on Anaemia. 2008.
  3. 談缺鐵性貧血,營養通訊,第67期,國泰綜合醫院國泰醫訊
  4. Mesfin, F., Y. Berhane, and A. Worku, Anemia among Primary School Children in Eastern Ethiopia. PLoS ONE, 2015. 10(4): p. e0123615.
-----廣告,請繼續往下閱讀-----
miss9

蔣維倫。很喜歡貓貓。曾意外地收集到台、清、交三間學校的畢業證書。泛科學作家、科學月刊作家、故事作家、udn鳴人堂作家、前國衛院衛生福利政策研究學者。 商業邀稿:miss9ch@gmail.com 文章作品:http://pansci.asia/archives/author/miss9

View Comments

Recent Posts

從血糖到安胎:妊娠糖尿病孕婦最需要知道的臨床重點

「早產風險和血糖問題有著密切的...

11 小時 ago

告別「不能做雷射」的遺憾!EVO ICL 再創視力矯正新里程碑

植入式隱形眼鏡手術,是利用眼藥...

5 天 ago

歐氏幾何學的啟示

當筆者還是一位教書匠時,時常鼓...

1 週 ago